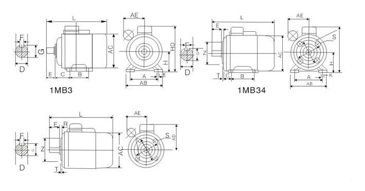
Motor for electric hoist of three-phase asynchronous motors for the conical rotor motor with automatic brake device, with a high starting torque, braking, reliable, compact, smooth, small size, light weight and the use of safe, convenient maintenance and so on. This series of motors commonly used in hoisting and conveying machinery industry (electric hoist most widely used), special machinery and equipment required to quickly brake, frequent starting, running alternately positive and negative spaces. This series motor is 50Hz, 380V power supply. The basic duty S3, 25% duty cycle, power 120 times the number of starts per hour. : This series motor is horizontal motor, brake use conical surface, a rectangular output shaft spline, frame without foot, the front cover with flange (flange), flange mounting holes on the front cover. This series motors are enclosed structure, protection class IP44, cooling method for the fan-cooled IC0141, Class B insulation. Full obituary note ZD52-4 18.5KW 6-hole flange installed by the stock market.
Motor for electric hoist of three-phase asynchronous motors for the conical rotor motor with automatic brake device, with a high starting torque, braking, reliable, compact, smooth, small size, light weight and the use of safe, convenient maintenance and so on. This series of motors commonly used in hoisting and conveying machinery industry (electric hoist most widely used), special machinery and equipment required to quickly brake, frequent starting, running alternately positive and negative spaces. This series motor is 50Hz, 380V power supply. The basic duty S3, 25% duty cycle, power 120 times the number of starts per hour. : This series motor is horizontal motor, brake use conical surface, a rectangular output shaft spline, frame without foot, the front cover with flange (flange), flange mounting holes on the front cover. This series motors are enclosed structure, protection class IP44, cooling method for the fan-cooled IC0141, Class B insulation. Full obituary note ZD52-4 18.5KW 6-hole flange installed by the stock market.
1.High modularization design: may equip with various motor or other power input conveniently. Same machine type may equip with various power motor. It is easy to realize the combination and junction between every machine type.2.Transmission ratio: fine division, wide scope. The combined machine type may form very large transmission ratio, i.e. output very low rotary speed.
3.Form of installation: the position to be installed is not limited.
4.High strength, compact: the box body is made of high strength cast iron. Gear and gear shaft adapts the gas carbonization, quenching and fine grinding process, therefore the bearing capacity of unit volume is high.
5.Long life: Under the condition of correct type chosen (including choosing suitable operation parameters) normal operation and maintenance, the life of main parts of speed reducer (except wearing parts) should not be less than 20000 hours. The wearing parts include lubricating oil, oil seal and bearing.
6.Low noise: because main parts of speed reducer are processed, assembled and tested critically, therefore the noise of speed reducer is low;
7.Parallel axis -bevel wheel speed-down motor.
1.High modularization design: may equip with various motor or other power input conveniently. Same machine type may equip with various power motor. It is easy to realize the combination and junction between every machine type.2.Transmission ratio: fine division, wide scope. The combined machine type may form very large transmission ratio, i.e. output very low rotary speed.
3.Form of installation: the position to be installed is not limited.
4.High strength, compact: the box body is made of high strength cast iron. Gear and gear shaft adapts the gas carbonization, quenching and fine grinding process, therefore the bearing capacity of unit volume is high.
5.Long life: Under the condition of correct type chosen (including choosing suitable operation parameters) normal operation and maintenance, the life of main parts of speed reducer (except wearing parts) should not be less than 20000 hours. The wearing parts include lubricating oil, oil seal and bearing.
6.Low noise: because main parts of speed reducer are processed, assembled and tested critically, therefore the noise of speed reducer is low;
7.Parallel axis -bevel wheel speed-down motor.
| lifing capacity (t) | 1t~10t | 16t~32t |
| lifting height (m) | 3m~60m | 3m~60m |
| lifting speed (m/min) | 8m/min(0.8m/min) | 3.5m/min(0.35m/min |
| travel speed (m/min) | 20 or 30 | 20 or 30 |
| working duty | A3,A4,A5 | A3,A4,A5 |
| lifing capacity (t) | 1t~10t | 16t~32t |
| lifting height (m) | 3m~60m | 3m~60m |
| lifting speed (m/min) | 8m/min(0.8m/min) | 3.5m/min(0.35m/min |
| travel speed (m/min) | 20 or 30 | 20 or 30 |
| working duty | A3,A4,A5 | A3,A4,A5 |
1.Working temperature: -20-+40 degree
2.Work moisture:<85%
3.No fire, no explosive goods, no corrosion medium.
4.Forbidden to lift melting metal, poisonous, explosive, flammable goods. The working duty is medium, when the working duty is level up, the rated lift capacity should be reduced accordingly (20% per level).
1.Working temperature: -20-+40 degree
2.Work moisture:<85%
3.No fire, no explosive goods, no corrosion medium.
4.Forbidden to lift melting metal, poisonous, explosive, flammable goods. The working duty is medium, when the working duty is level up, the rated lift capacity should be reduced accordingly (20% per level).
Home | Products | About Us | News | Contact Us